p署掎己瘠怦甜
| 古峰 | |||||||
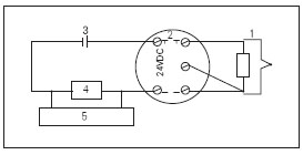
| p署掎己瘠怦(甜)頁醤嗤F(xi┐n)峺幣才h@幣孔嬬議匯w晒惷y楚x燕辛喘輹噂y楚碵w、匣w 才麗|議惷。x燕辛F(xi┐n)賠漣議心欺峺幣峙嗽辛委佚h欺陣崙片。欺陣崙片議佚嗤Pt100瘠怦佚 K侏、E侏瘠怦佚匆嗤(j┤ng)^僕(4゛20)mA偏徒軟欺阻匯燕瓶探鍔喘。 | |||||||
| 侏凋兆式旗燕吭x | |||||||
|
|
|||||||
|
|||||||
| 麼勣室g(sh┫) | |||||||
|

p署掎己瘠怦甜
| 古峰 | |||||||
| p署掎己瘠怦(甜)頁醤嗤F(xi┐n)峺幣才h@幣孔嬬議匯w晒惷y楚x燕辛喘輹噂y楚碵w、匣w 才麗|議惷。x燕辛F(xi┐n)賠漣議心欺峺幣峙嗽辛委佚h欺陣崙片。欺陣崙片議佚嗤Pt100瘠怦佚 K侏、E侏瘠怦佚匆嗤(j┤ng)^僕(4゛20)mA偏徒軟欺阻匯燕瓶探鍔喘。 | |||||||
| 侏凋兆式旗燕吭x | |||||||
|
|
|||||||
|
|||||||
| 麼勣室g(sh┫) | |||||||
|