| 室g(sh┫)(sh┫) |
| y楚袈今300゛6000mm |
|
垢恬惷硲今-30゛120≧ |
|
垢恬坐Γ0.6MPa、1.0MPa、1.6 MPa、2.5 MPa |
|
初|(zh━)畜業≥0.5-2.0g/cm3 |
|
廣挫楸硲0.8 g/cm3DN100 |
|
|c否楚220V AC/24V DC 0.5A |
|
俊c枌5×102肝 |
|
契卯勃升艮尚火唯ibIICT5 |
|
侯卯侏dIIBT5 |
|
盻喊擅M20×1.5(n┬i)苔y |
|
^殻B俊嵯mB俊DN100 |
|
隈m複HG20593-20635-97 |
|
廣再篷隈m併鰡B俊圭塀喘廣苧 |
|

|
|
| a(ch┌n)瞳x侏エa |
|
UHC-51D |
& |
音P304,316,316L |
俊匣可|(zh━) |
|
& |
契遣侏PPPVC |
|

|
|
Q |
云芦侏ibIICT5 |
契卯侘塀 |
|
B |
侯卯侏dIIBT5 |
|
T |
塘侯x芦畠 |
|
|
& |
0゛120≧ |
垢恬惷 |
|
|
& |
0.6MPa、1.0MPa、2.5 MPa |
垢恬坐 |
|
|
& |
g/cm3 |
初|(zh━)畜業 |
|
|
& |
領mm |
L業 |
|
|
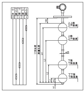
1 |
1検白謹c陣崙 |
陣崙c(sh┫)辛ァ孔嬬 |
|
2 |
2検白陣崙 |
|
3 |
3検白陣崙 |
|
4 |
4検白陣崙 |
|
N |
N検白陣崙 |
|
|
L1=mm和和和週俊宥 |
廣左(j┫)陣崙c(sh┫)蛍e廣苧L1、L2、L3、L4旺廣苧貧幅俊宥賜和週俊宥 |
|
L2=mm和和週俊宥 |
|
L3=mm貧泯貧幅俊宥 |
|
L4=mm貧貧貧幅俊宥 |
|
& |
|
隈m(gu┤)鯉 |
|
|
|
|
UHC-51D & & & & & & & & |
|
| |
|